 
 | 名稱: | 22通徑二位二通壓縮空氣普通型直角氣控流體閥 | 
| 型號: | RQ22HD-25 | 
| 類別: | 氣控流體閥 | 
| 品牌: | 星宇電子 | 
| 產地: | 寧波奉化 | 
| 價格: | 面議 | 
產品簡介
二位二通直角雙作用氣控流體閥,該閥廣泛應用在食品、醫藥、工業、洗滌、石化、冶金、噴涂等機械設備上。
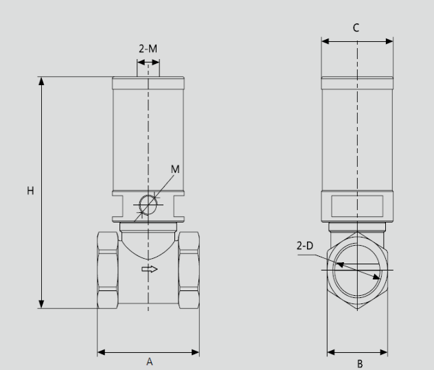
結構尺寸

技術參數
| 型號 | A | B | C | 2-D | H | M | 
| RQ22HD-15 | 45 | 25 | 37 | G1/2” | 89.5 | G1/8” | 
| RQ22HD-20 | 50 | 31 | 37 | G3/4” | 109 | G1/8” | 
| RQ22HD-25 | 64.5 | 38 | 37 | G1” | 118 | G1/8” | 
| RQ22HD-40 | 80 | 53 | 55 | G1-1/2” | 162 | G1/8” | 
| RQ22HD-50 | 99.5 | 65 | 78 | G1/8” | 179 | G1/4” | 
| 型號 | 流通通徑 | 使用介質 | 工作壓力 | 控制壓力 | 溫度范圍 | Kv值(m3/k) | 
| RQ22HD-15 | 13mm | 壓縮空氣、水油 | 0 -0.8MPa | 0.4-0.8MPa | -5~80℃(常溫)  | 4 | 
| RQ22HD-20 | 16mm | 5 | ||||
| RQ22HD-25 | 22mm | 10 | ||||
| RQ22HD-40 | 35mm | 25 | ||||
| RQ22HD-50 | 45mm | 40 | 
廠房設備
 
自動化設備與檢測設備
 
生產車間
行業應用
 
榮譽證書
 
主要客戶
 
銷售網絡
 
公司簡介
 
 
客戶服務
 
聯系我們

 35通徑二位二通壓縮空氣普通型直角氣控流體閥
           型號:RQ22HD-40
           35通徑二位二通壓縮空氣普通型直角氣控流體閥
           型號:RQ22HD-40  二位二通塑料50毫米缸徑常閉有水錘氣控流體閥
           型號:RJQ22-P50-25S
           二位二通塑料50毫米缸徑常閉有水錘氣控流體閥
           型號:RJQ22-P50-25S  二位二通不銹鋼63毫米缸徑常閉有水錘氣控流體閥
           型號:RJQ22-S63-40S
           二位二通不銹鋼63毫米缸徑常閉有水錘氣控流體閥
           型號:RJQ22-S63-40S  二位二通不銹鋼40毫米缸徑雙作用氣控流體閥
           型號:RJQ22-S40-10D
           二位二通不銹鋼40毫米缸徑雙作用氣控流體閥
           型號:RJQ22-S40-10D 地址:浙江省寧波市奉化區江口街道方橋工業園區恒豐路2號
傳真:0574-88846999
電話:0574-88846983 0574-89017255 0574-88848607
郵箱:webmaster@xyelectron.com