二位五通板接式隔爆電磁閥
型號:EXG2501-08B-H
類別:隔爆電磁閥
品牌:星宇XINGYU
產地:寧波奉化
技術參數
| 產品型號 | EXG2501-08B-H | ||
| 動作方式 | 內部先導式 | ||
| 閥體材料 | 冷擠壓鋁合金 | ||
| 閥體功能 | 帶有手動按鈕功能 | ||
| 表面處理 | 陽極氧化(黑色) | ||
| 密封材料 | NBR | ||
| 氣源連接 | G1/4" | ||
| 工作介質 | 經過過濾(≤40μm過濾)干燥和潤滑的空氣或中性氣體 | ||
| 緊固螺釘 | SUS 304 | ||
| 工作溫度 | -20℃~70℃ | ||
| 工作壓力 | 0.15~0.8MPa | ||
| 工作壽命 | 1000萬次以上(正常工作條件) | ||
| 絕緣等級 | Class H | ||
| 防護等級 | IP66 | ||
| 防爆等級 | Ex db IIC T6 Db Ex tb IIIC T80℃ Db | ||
| 工作方式 | ED100% | ||
| 介質接觸材料 | 鋁、丁晴橡膠 | ||
| 板接式安裝標準 | 24*32NAMUR板結式安裝 | ||
| 備注 | 連接螺紋需帶有保護套 | ||
訂購碼

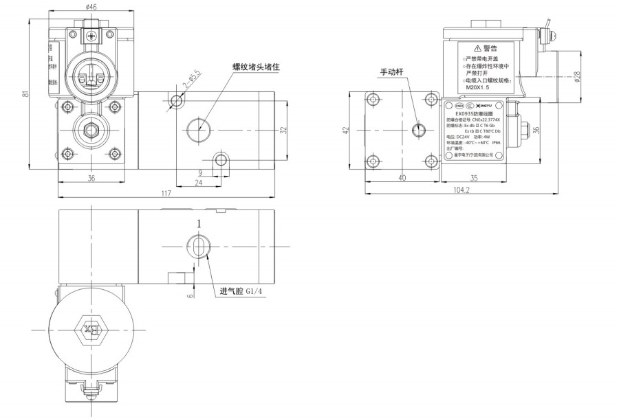
外形尺寸


公司簡介
 
制造能力

行業應用

合作伙伴

服務網絡

上一篇:二位三通板接式隔爆電磁閥
下一篇:閥島(多針式/協議式)


 
  
 
