氣動對夾式硬密封蝶閥
型號:RDVP7R
類別:氣動蝶閥
品牌:星宇XINGYU
產地:寧波奉化
產品特點
○ 小型輕便,容易拆裝及維修,并可在任意位置安裝。
○ 結構簡單,緊湊,90°回轉啟閉迅速。
○ 操作扭矩小,省力輕巧。
○ 流量特性趨于直線,調節性能好。
○ 啟閉試驗次數多達數萬次,壽命長。
○ 達到完全密封,氣體試驗泄漏為零。
○ 選擇不同零部件材質,可適用多種介質。
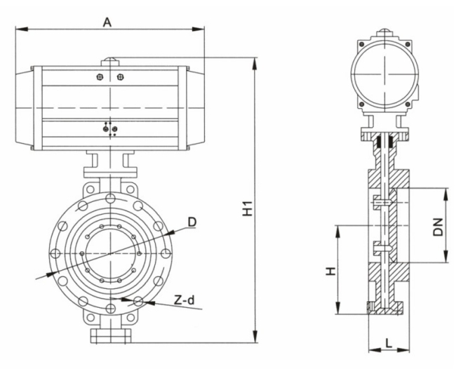
技術參數
| 型 號 | 公稱通經 (英寸) | L | D | D1 | H | H1 | H2 | A | Z-d | 執行器 | ||
| 短 | 長 | |||||||||||
| RDVP7R-B5-H-50 | 2 | 108 | 150 | 165 | 125 | 112 | 134 | 196.5 | 4-18 | RAT083DA | ||
| RDVP7R-B5-H-65 | 21/2 | 112 | 170 | 185 | 145 | 115 | 145 | 241 | 4-18 | RAT092DA | ||
| RDVP7R-B5-H-80 | 3 | 114 | 180 | 200 | 160 | 120 | 158 | 263.5 | 8-18 | RAT105DA | ||
| RDVP7R-B5-H-100 | 4 | 127 | 190 | 220 | 184 | 138 | 548 | 181 | 319 | 8-18 | RAT125DA | |
| RDVP7R-B5-H-125 | 5 | 140 | 200 | 250 | 210 | 164 | 605 | 198 | 390 | 8-18 | RAT140DA | |
| RDVP7R-B5-H-150 | 6 | 140 | 210 | 285 | 240 | 175 | 653 | 223 | 449 | 8-22 | RAT160DA | |
| RDVP7R-B5-H-200 | 8 | 152 | 230 | 340 | 295 | 200 | 772 | 223 | 449 | 8-22 | RAT160DA | |
| RDVP7R-B5-H-250 | 10 | 165 | 250 | 395 | 350 | 243 | 866 | 256 | 515 | 12-22 | RAT190DA | |
| RDVP7R-B5-H-300 | 12 | 178 | 270 | 445 | 400 | 250 | 964 | 281 | 560 | 12-22 | RAT210DA | |
| RDVP7R-B5-H-350 | 14 | 190 | 290 | 505 | 460 | 280 | 1068 | 281 | 560 | 16-22 | RAT210DA | |
| RDVP7R-B5-H-400 | 16 | 216 | 310 | 565 | 515 | 305 | 1108 | 281 | 560 | 16-26 | RAT210DA | |
| RDVP7R-B5-H-450 | 18 | 222 | 330 | 615 | 565 | 350 | 1177 | 306 | 654 | 20-26 | RAT240DA | |
| RDVP7R-B5-H-500 | 20 | 291 | 350 | 670 | 620 | 380 | 1289 | 346 | 725 | 20-26 | RAT270DA | |
| RDVP7R-B5-H-600 | 24 | 267 | 390 | 780 | 725 | 445 | 1439 | 374 | 745 | 20-30 | RAT300DA | |
| RDVP7R-B5-H-700 | 28 | 292 | 430 | 892 | 840 | 480 | 1494 | 374 | 745 | 24-30 | RAT300DA | |
| RDVP7R-B5-H-800 | 32 | 318 | 470 | 1015 | 950 | 530 | 1718 | 428 | 860 | 24-33 | RAT350DA | |
| RDVP7R-B5-H-900 | 36 | 330 | 510 | 1115 | 1050 | 580 | 1818 | 428 | 860 | 28-33 | RAT350DA | |
| RDVP7R-B5-H-1000 | 40 | 410 | 550 | 1230 | 1160 | 650 | 2041 | 506 | 918 | 28-36 | RAT400DA | |
| RDVP7R-B5-H-1200 | 48 | 470 | 630 | 1455 | 1380 | 760 | 1176 | 506 | 918 | 32-39 | RAT400DA | |
結構尺寸

公司簡介
 
制造能力

行業應用

合作伙伴

服務網絡

上一篇:氣動對夾式軟密封蝶閥
下一篇:氣動法蘭式硬密封蝶閥


 
  
 


