氣動美標法蘭球閥
型號:RBVP41
類別:氣動球閥
品牌:星宇XINGYU
產地:寧波奉化
產品特點
○ 獨特的外觀設計,美觀大方。
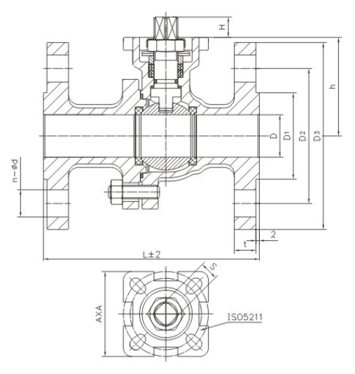
○ 高平臺結構,IS05211連接標準,能使安裝電/氣動執行器更為專業化。
○ 閥體外表備有加強筋,即使在長期由腐蝕的介質中使用,也能避免閥體自身的斷裂,能避免在工程安裝中所造成的閥門部位斷開。
○ 閥桿進行磨床加工,配電/氣動閥門時的力矩減輕,更加靈活性。
○ 碳鋼球閥的閥體進行磷化處理,不褪色,不生銹,既耐用,又美觀。
產品規范
公稱壓力:150/300
強度壓力:PT3.0/7.5MPa.
密封壓力(低壓):0.6MPa
適用介質:水.油.氣體.酸.堿
溫度范圍:PTFE:-20℃~+150℃
PPL:-20℃~+200℃
( WCB, CF8, CF8M, Ti, Ni )
Ansi:美國標準
技術參數
| 型號 | 接口螺紋 | DN | D | L | H | A | D1 | D2 | D3 | ISO5211 | t | n-Φd | S | H | 執行器 | |
| RBVP41-3-15-ANSI | 1/2" | 15 | 15 | 108 | 48 | 43 | 34.9 | 60.3 | 90 | F03/F04 | 9.6 | 4-Φ15.9 | 9 | 8.5 | RAT052DA | |
| RBVP41-3-20-ANSI | 3/4" | 20 | 20 | 117 | 53 | 43 | 42.9 | 69.9 | 100 | F03/F04 | 11.2 | 4-Φ15.9 | 9 | 9.5 | RAT052DA | |
| RBVP41-3-25-ANSI | 1" | 25 | 25 | 127 | 58 | 50 | 50.8 | 79.4 | 110 | F04/F05 | 12.7 | 4-Φ15.9 | 11 | 11 | RAT063DA | |
| RBVP41-3-32-ANSI | 1-1/4" | 32 | 32 | 140 | 62 | 50 | 63.5 | 88.9 | 115 | F04/F05 | 14.3 | 4-Φ15.9 | 11 | 12 | RAT063DA | |
| RBVP41-3-40-ANSI | 1-1/2" | 40 | 38 | 165 | 75 | 68 | 73 | 98.4 | 125 | F05/F07 | 15.9 | 4-Φ15.9 | 14 | 16.5 | RAT075DA | |
| RBVP41-3-50-ANSI | 2" | 50 | 50 | 178 | 85 | 68 | 92.1 | 120.7 | 150 | F05/F07 | 17.5 | 4-Φ19.1 | 14 | 16.5 | RAT083DA | |
| RBVP41-3-65-ANSI | 2-1/2" | 65 | 65 | 190 | 104 | 96 | 104.8 | 139.7 | 180 | F07/F10 | 20.7 | 4-Φ19.1 | 17 | 20 | RAT092DA | |
| RBVP41-3-80-ANSI | 3" | 80 | 78 | 203 | 114 | 96 | 127 | 152.4 | 190 | F07/F10 | 22.3 | 4-Φ19.1 | 17 | 20 | RAT105DA | |
| RBVP41-3-100-ANSI | 4” | 100 | 95 | 229 | 135 | 96 | 157.2 | 190.5 | 230 | F07/F10 | 22.3 | 8-Φ19.1 | 19 | 22.5 | RAT125DA | |
結構尺寸

型號說明

公司簡介
 
制造能力

行業應用

合作伙伴

服務網絡

上一篇:氣動國際法蘭球閥
下一篇:氣動內螺紋三片式球閥


 
  
 


