熱塑性塑封類燃氣車用尾氣電磁線圈
型號:SB750/XY16372B
類別:熱塑性電磁線圈
品牌:星宇XINGYU
產地:寧波奉化
技術參數
| 常規電壓 | DC12V | |
| 常規功率 | AC | |
| DC | 16.5W | |
| 其他特種電壓、特種功率可定做 | ||
| 絕緣等級 | H | |
| 線圈連接方式 | DEUTCH | |
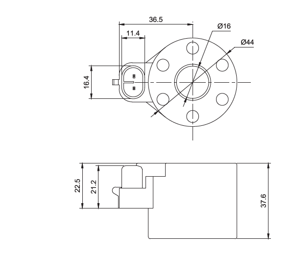
結構尺寸

公司簡介
 
制造能力

行業應用

合作伙伴

服務網絡

上一篇:熱塑性塑封類車用電磁線圈
下一篇:熱塑性塑封類藍色包塑電磁線圈

型號:SB750/XY16372B
類別:熱塑性電磁線圈
品牌:星宇XINGYU
產地:寧波奉化
技術參數
| 常規電壓 | DC12V | |
| 常規功率 | AC | |
| DC | 16.5W | |
| 其他特種電壓、特種功率可定做 | ||
| 絕緣等級 | H | |
| 線圈連接方式 | DEUTCH | |
結構尺寸

公司簡介
 
制造能力

行業應用

合作伙伴

服務網絡

上一篇:熱塑性塑封類車用電磁線圈
下一篇:熱塑性塑封類藍色包塑電磁線圈
型號:SB553/DSWL-02-5
型號:SB755/XY14402
型號:SB442/3130E
型號:SB537/XY13322D