方形指針式排水閥電子定時器
型號:SB231/XY-720
類別:電子定時器
品牌:星宇XINGYU
產地:寧波奉化
產品簡介
方形指針式電子定時器安裝在排水閥等閥體上,可以自動設置時間定時排放,有LED燈顯示且無觸點開關定時器,壽命長且可靠性高,防護等級達到IP65-EN60529。
技術參數
| 使用電壓 | 24..240V AC/DC-50Hz/for”CE”marked Timer | 
| 靜態電流 | 4mA Max | 
| 工作溫度 | -10℃+50℃ | 
| 保護等級 | IP65-EN60529 | 
| 開關保持電壓 | 400VMax | 
| 開關容量 | 1A | 
| 瞬間電流 | 10A for 10ms | 
| 通電率 | 100%ED | 
| 開關壽命 | 3×108 | 
| Time ON | from 0.5 to 10s. | 
| Time OFF | from 0.5 to 45min | 
| 指示 | Yellow LED | 
| 手動 | Test | 
| 連接方式 | DIN43650A | 
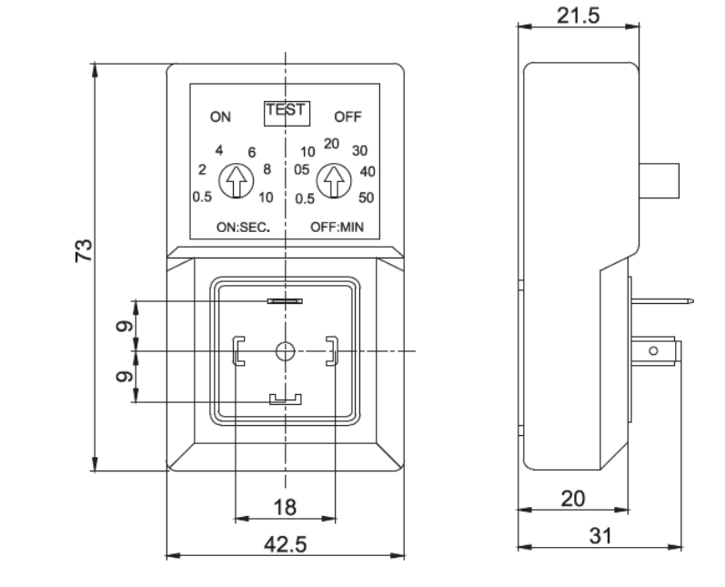
結構尺寸

公司簡介
 
制造能力

行業應用

合作伙伴

服務網絡

上一篇:自動循環開關電子定時器


 
  
 

