二位五通400系列單氣控換向電磁閥
型號:4A410
類別:二位五通電磁閥
品牌:星宇XINGYU
產地:寧波奉化
技術參數
| 型號 | 4A410-15 |
| 工作介質 | 壓縮空氣(經40μm以上濾網過濾) |
| 動作方式 | 外部先導式 |
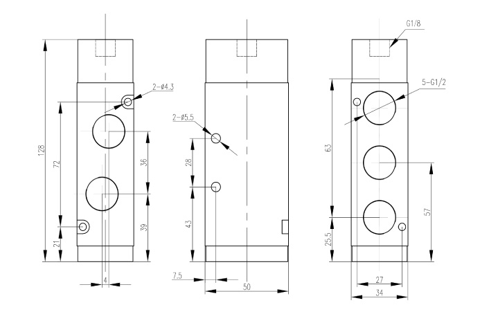
| 接管口徑 | 進氣=出氣=排氣1/2" |
| 位置數 | 二位五通 |
| 有效截面積 | 50.0mm2(Cv=1.00) |
| 使用電壓 | DC24V±10%;DC12V±10% |
| 使用壓力范圍 | 0.15~0.8MPa |
| 保證耐壓力 | 1.2MPa |
| 工作溫度 | -5~50℃ |
| 本體材質 | 鋁合金 |
| 潤滑 | 不需要 |
| 最高動作頻率 | 5次/秒 |
(1)接管螺紋有G螺紋、PT螺紋可選
(2)最高動作頻率為空載狀態
結構尺寸

產品特性

安裝說明

公司簡介

制造能力

行業應用

合作伙伴

服務網絡






